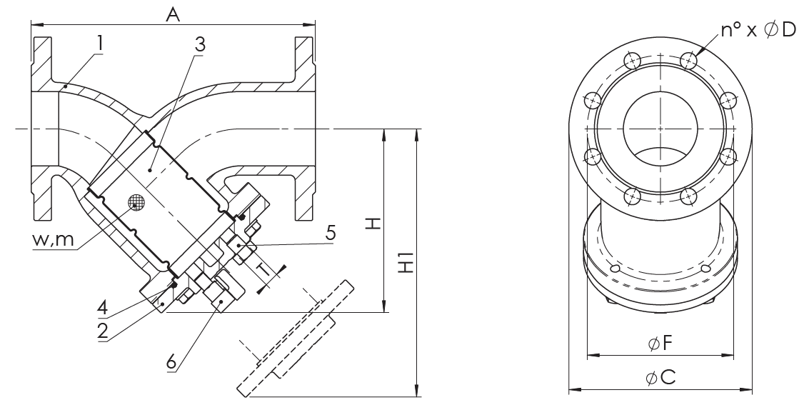
Filtri a Y flangiati con corpo in ghisa grigia, realizzati in accordo alle normative di prodotto rilevanti. Indispensabili per proteggere pompe, valvole, disconnettori, riduttori di pressione da impurità presenti negli impianti (ruggine, residui di saldatura corpi estranei).
Sono adatti per riscaldamento e condizionamento (HVAC), trattamento e distribuzione dell’acqua, applicazioni agricole e industriali.
| DN | 32 | 40 | 50 | 65 | 80 | 100 | 125 | 150 | 200 | 250 | 300 | 350 | 400 | |
|---|---|---|---|---|---|---|---|---|---|---|---|---|---|---|
| A | EN558/1 - 1 | 180 | 200 | 230 | 290 | 310 | 350 | 400 | 480 | 600 | 730 | 850 | 980 | 1100 |
| H | 96 | 109 | 145 | 155 | 200 | 240 | 290 | 330 | 380 | 480 | 540 | 606 | 690 | |
| H1 | 140 | 162 | 196 | 240 | 280 | 316 | 390 | 470 | 624 | 720 | 840 | 980 | 1080 | |
| Diametro filo, w | 0,6 | 0,6 | 0,6 | 0,6 | 0,8 | 0,8 | 0,8 | 0,8 | 1 | 1 | 1 | 1 | 1 | |
| Luce maglia, m | 0,8 | 0,8 | 0,8 | 0,8 | 1,2 | 1,2 | 1,2 | 1,2 | 1,6 | 1,6 | 1,6 | 1,6 | 1,6 | |
| C | 140 | 150 | 165 | 185 | 200 | 220 | 250 | 285 | 340 | 405 | 460 | 520 | 580 | |
| F | EN 1092 PN16 | 100 | 110 | 125 | 145 | 160 | 180 | 210 | 240 | 295 | 355 | 410 | 470 | 525 |
| n x D | 4x14 | 4x19 | 4x19 | 4x19 | 8x19 | 8x19 | 8x19 | 8x23 | 12x23 | 12x27 | 12x27 | 16x27 | 16x31 | |
| T | ISO 228/1 | 1/4" | 1/2" | 1/2" | 1/2" | 1/2" | 1/2" | 1/2" | 1/2" | 3/4" | 3/4" | 3/4" | 3/4" | 3/4" |
| Numero tappi/ rubinetti | 1 | 1 | 1 | 1 | 1 | 1 | 2 | 2 | 2 | 2 | 2 | 2 | 2 |
| Componente | Materiale | |
|---|---|---|
| 1 | Corpo | EN GJL 250 |
| 2 | Coperchio | EN GJL 250 |
| 3 | Filtro | AISI 304 |
| 4 | Guarnizione coperchio | EPDM |
| 5 | Tappo | Acciaio al carbonio, zincato |
| 6 | Rubinetto | Ottone |
| 7 | Bulloneria | AISI 304 |