REQUISITI TECNICI VALVOLA A FLUSSO AVVIATO DI INTERCETTAZIONE PN 40 DN 15-100
- Progettazione e produzione conforme alle norme DIN 3356
- Test e ispezioni conforme alle norme EN 12266-1
- Scartamento conforme alle norme DIN 3202 - F1 EN 558-1
- Flangiatura conforme alle norme EN 1092-1 tipo B1
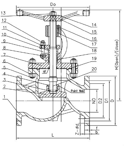
| DN | 50 | 65 | 80 | 100 | 125 | 150 | 200 |
|---|---|---|---|---|---|---|---|
| L | 250 | 270 | 280 | 300 | 325 | 350 | 400 |
| D | 165 | 185 | 200 | 220 | 250 | 285 | 340 |
| D1 | 125 | 145 | 160 | 180 | 210 | 240 | 295 |
| D2 | 102 | 122 | 138 | 158 | 188 | 212 | 268 |
| B | 18 | 18 | 20 | 20 | 22 | 22 | 24 |
| F | 3 | 3 | 3 | 3 | 3 | 3 | 3 |
| Z-ød | 4x18 | 4x18 | 8x18 | 8x18 | 8x18 | 8x22 | 12x22 |
| W | 200 | 280 | 280 | 280 | 350 | 350 | 400 |
| H (aperta) | 417 | 452 | 530 | 417 | 720 | 790 | 885 |
| Componente | Materiale | |
|---|---|---|
| 1 | Corpo | GS-C25+316 |
| 2 | Cuneo | GS-C25+316 |
| 3 | Stelo | A182 F316 |
| 4 | Vite | A193 B7M |
| 5 | Dado | A194 2HM |
| 6 | Guarnizioni | Graphite+SS304 |
| 7 | Baderna | Graphite |
| 8 | Vite | A194 B7M |
| 9 | Dado | A194 2HM |
| 10 | Tirante ribaltante | A193 B7M |
| 11 | Dado | A194 2HM |
| 12 | Perno | A276 304 |
| 13 | Cappello | GS-C25 |
| 14 | Premistoppa | A182 F6a |
| 15 | Flangetta premistoppa | GS-C25 |
| 16 | Madrevite | Bronzo |
| 17 | Ghiera ferma madrevite | 1035 |
| 18 | Volantino | A536 |
| 19 | Targhetta | 304SS |
| 20 | Dado ferma volantino | 1035 |
| 21 | Ingrassatore | Ottone |
| 22 | Vite di blocco | 1035 |
| 23 | Cavaletto | GS-C25 |