Valvole > Valvole a sfera > Valvola a sfera flangiata in ghisa
Le valvole serie B2.3 sono valvole di intercettazione a sfera tipo split-body con corpo in bronzo e sfera flottante, realizzate in accordo alle normative di prodotto rilevanti ed al sistema di gestione della qualità EN ISO 9001.
Sono adatte per applicazioni navali, Offshore e in ambiente marino, per riscaldamento e condizionamento (HVAC), tele-riscaldamento, trattamento e distribuzione dell’acqua, applicazioni industriali, chimiche, agricole, per aria compressa, oli e idrocarburi.
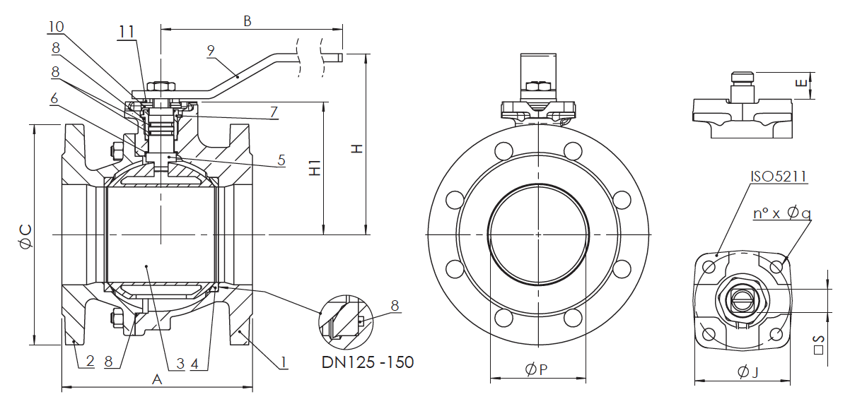
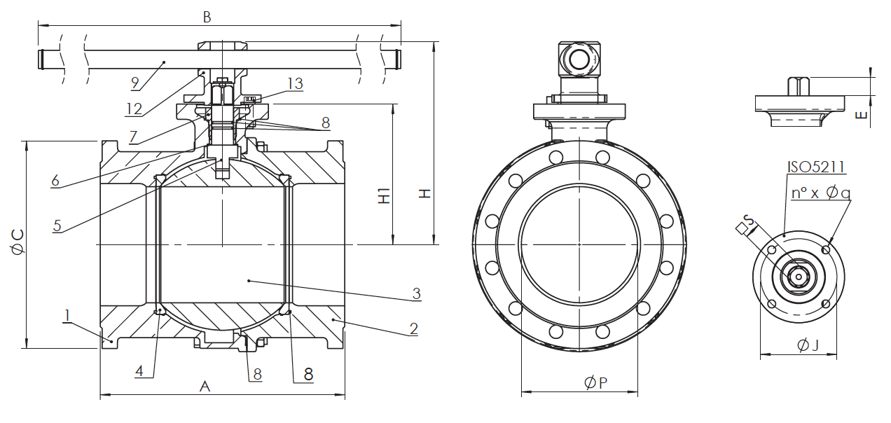
| DN | 15 | 20 | 25 | 32 | 40 | 50 | 65 | 80 | 100 | 125 | 150 | 200 | 250 | |
|---|---|---|---|---|---|---|---|---|---|---|---|---|---|---|
| P | 15 | 20 | 25 | 32 | 40 | 50 | 63 | 76 | 95 | 120 | 145 | 190 | 240 | |
| A | EN 558/1 - 14 | 115 | 120 | 125 | 130 | 140 | 150 | 170 | 180 | 190 | 200 | 210 | - | - |
| A | EN 558/1 - 14 | - | - | - | - | - | - | - | - | - | - | - | 400 | 450 |
| H | 84 | 84 | 96 | 101 | 125 | 135 | 143 | 165 | 180 | 225 | 243 | 320 | - | |
| H1 | 50,5 | 52 | 59 | 64 | 78,5 | 87 | 95 | 118 | 132,5 | 165 | 182,5 | 230 | 335 | |
| B | 160 | 160 | 170 | 170 | 230 | 230 | 230 | 280 | 360 | 450 | 520 | 1000 | 101 | |
| C | EN1092/2 PN 16 | 95 | 105 | 115 | 140 | 150 | 165 | 185 | 200 | 220 | 250 | 285 | 340 | 405 |
| C | ANSI B16.5 #150 | 88,9 | 98,6 | 108 | 117,3 | 127 | 152,4 | 177,8 | 190,5 | 228,6 | 254 | 279,4 | - | - |
| ISO 5211 | F04 | F04 | F04 | F04 | F05 | F05 | F05 | F07 | F07 | F10 | F10 | F12 | F12 | |
| C1 | - | - | - | - | - | - | - | - | - | - | - | - | 490 | |
| V | - | - | - | - | - | - | - | - | - | - | - | - | 500 | |
| T | - | - | - | - | - | - | - | - | - | - | - | - | 284 | |
| J | 42 | 42 | 42 | 42 | 50 | 50 | 50 | 70 | 70 | 102 | 102 | 125 | 125 | |
| n° x Ø q | 4 x 6 | 4 x 6 | 4 x 6 | 4 x 6 | 4 x 7 | 4 x 7 | 4 x 7 | 4 x 9 | 4 x 9 | 4 x 11 | 4 x 11 | 4 x 13 | 4 x 13 | |
| E | 11,5 | 11,5 | 14,5 | 14,5 | 17,5 | 17,5 | 17,5 | 20 | 20 | 24,5 | 24,5 | 27 | 92 | |
| S | 9 | 9 | 11 | 11 | 14 | 14 | 14 | 17 | 17 | 22 | 22 | 27 | Ø 45 |
| Componente | Materiale | |
|---|---|---|
| 1 | Corpo | Bronzo CuSn5Zn5Pb5 CC491K EN1982 (equivalente C83600 ASTM B62) |
| 2 | Flangia | Bronzo CuSn5Zn5Pb5 CC491K EN1982 (equivalente C83600 ASTM B62) |
| 3 | Sfera DN15-50 | Ottone CuZn40Pb2 / AISI316 / Bronzo-alluminio CuAL10Ni5Fe4 (C63000 ASTM 283) |
| Sfera DN65-250 | Ottone CuZn40Pb2 / AISI316 / Bronzo-alluminio CuAL10Ni5Fe5 (C95800 ASTM B148) | |
| 4 | Sede sfera | PTFE + Carbone |
| 5 | Asta | Ottone CuZn40Pb2 / AISI316 / Bronzo-alluminio CuAL10Ni5Fe4 (C63000 ASTM 283) |
| 6 | Anello antifrizione | PTFE |
| 7 | Ghiera | Ottone CuZn40Pb2 / AISI316 / Bronzo-alluminio CuAL10Ni5Fe4 (C63000 ASTM 283) |
| 8 | O Ring | FKM (Viton®) |
| 9 | Leva | Acciaio al carbonio, verniciato epossidico / AISI 316 con guaina in plastica |
| 10 | Piastrina fermo | Acciaio al carbonio zincato / AISI 316 |
| 11 | Anello elastico | Acciaio al carbonio zincato / AISI 316 |
| 12 | Mozzo leva | Ottone CuZn40Pb2 |
| 13 | Fermo leva | Acciaio al carbonio zincato / AISI 316 |
| 14 | Anello antiestrazione | AISI302 |
| 15 | Supporto per riduttore | Bronzo-alluminio CuAL10Ni5Fe5 |
| 16 | Riduttore manuale | - |
| 17 | Bulloneria | Acciaio al carbonio zincato / AISI 304 /AISI 316 |