Valvole > Valvole a sfera > Valvola a sfera flangiata in ghisa
Le valvole serie B2.1 sono valvole di intercettazione a sfera tipo split-body con corpo in ghisa sferoidale e sfera flottan-te, realizzate in accordo alle normative di prodotto rilevanti ed al sistema di gestione della qualità EN ISO 9001.
Sono adatte per riscaldamento e condizionamento (HVAC), teleriscaldamento, trattamento e distribuzione dell’acqua, applicazioni industriali, agricole, per aria compressa, gas, oli, idrocarburi e antincendio.
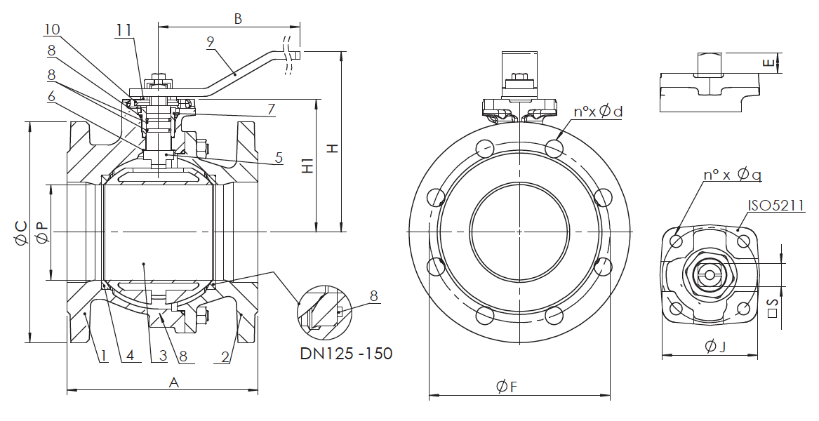
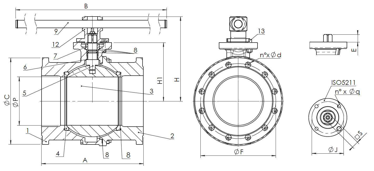
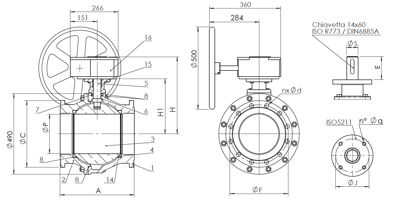
| DN | 15 | 20 | 25 | 32 | 40 | 50 | 65 | 80 | 100 | 125 | 150 | 200 | 250 | |
|---|---|---|---|---|---|---|---|---|---|---|---|---|---|---|
| P | 15 | 20 | 25 | 32 | 40 | 50 | 63 | 76 | 95 | 120 | 145 | 190 | 240 | |
| A (B2.1) | EN 558/1 - 14 | 115 | 120 | 125 | 130 | 140 | 150 | 170 | 180 | 190 | 200 | 210 | - | - |
| A (B2.0) | EN 558/1 - 29 | - | - | - | - | - | - | - | - | - | - | - | 400 | 450 |
| A (F2.1) | EN 558/1 - 14 | - | - | - | - | 136 | 142 | 154 | 160 | 172 | 186 | 200 | - | - |
| H | 160 | 160 | 170 | 170 | 125 | 135 | 143 | 165 | 180 | 225 | 243 | 320 | 448 | |
| H1 | 50,5 | 52 | 59 | 64 | 78,5 | 87 | 95 | 118 | 132,5 | 165 | 182,5 | 230 | 335 | |
| B | 84 | 84 | 96 | 101 | 230 | 230 | 280 | 360 | 520 | 520 | 520 | 1000 | 101 | |
| C | EN1092/2 PN 16 | 95 | 105 | 115 | 140 | 150 | 165 | 185 | 200 | 220 | 250 | 285 | 340 | 405 |
| F | EN1092/2 PN 16 | 65 | 75 | 85 | 100 | 110 | 125 | 145 | 160 | 180 | 210 | 240 | 295 | 355 |
| n x d | EN1092/2 PN 16 | 4x 14 | 4x 14 | 4x 14 | 4x 18 | 4x 18 | 4x 18 | 4x 18 | 8x 18 | 8x 18 | 8x 18 | 8x 22 | 8x 22 | 8x 26 |
| ISO 5211 | F04 | F04 | F04 | F04 | F05 | F05 | F05 | F07 | F07 | F10 | F10 | F12 | 12 | |
| J | 42 | 42 | 42 | 42 | 50 | 50 | 50 | 70 | 70 | 102 | 102 | 125 | 125 | |
| n° x Ø q | 4 x 6 | 4 x 6 | 4 x 6 | 4 x 6 | 4 x 7 | 4 x 7 | 4 x 7 | 4 x 9 | 4 x 9 | 4 x 11 | 4 x 11 | 4 x 13 | 4 x 13 | |
| E | 9,5 | 9,5 | 11 | 11 | 13,5 | 13,5 | 13,5 | 15 | 15 | 21 | 21 | 27 | 92 | |
| S | 9 | 9 | 11 | 11 | 14 | 14 | 14 | 17 | 17 | 22 | 22 | 27 | 45 |
| Componente | Materiale | ||
|---|---|---|---|
| Serie B2.1 | Serie B2.0 | ||
| 1 | Corpo | Ghisa sferoidale EN GJS 400-15 | Ghisa grigia EN GJL250 |
| 2 | Flangia | Ghisa sferoidale EN GJS 400-15 | Ghisa grigia EN GJL250 |
| 3 | Sfera | Ottone CuZn40Pb2 Acciaio inossidabile AISI 304 Acciaio inossidabile AISI 316 |
DN200 Ottone cromato CuZn40Pb2 DN250 Ghisa grigia riv. Niploy EN GJL250 Acciaio inossidabile AISI 304 Acciaio inossidabile AISI 316 |
| 4 | Sede sfera | PTFE + Carbone | |
| 5 | Asta | Ottone cromato CuZn40Pb2 Acciaio inossidabile AISI 304 Acciaio inossidabile AISI 316 |
|
| 6 | Anello antifrizione | PTFE | |
| 7 | Ghiera | Ottone cromato CuZn40Pb2 Acciaio inossidabile AISI 304 Acciaio inossidabile AISI 316 |
|
| 8 | O Ring | NBR / FKM (Viton®) | |
| 9 | Leva | Acciaio al carbonio, verniciato epossidico | |
| 10 | Piastrina fermo | Acciaio al carbonio zincato | |
| 11 | Anello elastico | Acciaio al carbonio zincato | |
| 12 | Mozzo leva | Ghisa sferoidale EN GJS 400-15 | |
| 13 | Fermo leva | Acciaio al carbonio zincato | |
| 14 | Anello antiestrazione | AISI302 | |
| 15 | Supporto per riduttore | DN200 Ghisa sferoidale EN GJS 400-15 EN GJS 400-15 DN250 Ghisa grigia EN GJL250 |
|
| 16 | Riduttore manuale | - | |
| 17 | Bulloneria | Acciaio al carbonio zincato | |