Principali caratteristiche
• Prodotta in Italia in accordo a EN 1171
• Scartamento secondo EN 558-1, serie 14
• Connessioni angiate secondo EN 1092-2 PN10 con risalto (non forate, PN16 o secondo altre speciche disponibili su richiesta)
• Stelo interno, chiusura in senso orario, tenuta secondaria sullo stelo regolabile tramite premistoppa
• Minima perdita di carico
• Testata idraulicamente secondo EN 12266-1: Test tipo P11-P12 Rate A
• Conforme alla Direttiva Attrezzature in Pressione PED 2014/68/UE art. 13 Fluidi di gruppo 2
• 100% passaggio totale
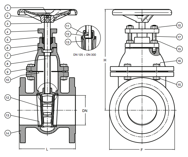
| DN | 40 | 50 | 65 | 80 | 100 | 125 | 150 | 175 | 200 | 250 | 300 |
|---|---|---|---|---|---|---|---|---|---|---|---|
| F | 150 | 165 | 185 | 200 | 220 | 250 | 285 | 315 | 340 | 395 | 445 |
| L | 140 | 150 | 170 | 180 | 190 | 200 | 210 | 220 | 230 | 250 | 270 |
| H | 265 | 275 | 335 | 355 | 400 | 495 | 585 | 660 | 700 | 830 | 960 |
| Volantino | 150 | 150 | 175 | 175 | 200 | 200 | 225 | 225 | 225 | 250 | 300 |
| Giri apertura/chiusura | 10 | 12,5 | 16 | 20 | 25 | 25 | 30 | 35 | 40 | 50 | 60 |
| Momento torcente in chiusura | 30 | 30 | 35 | 35 | 40 | 45 | 45 | 60 | 60 | 65 | 70 |
| Perdite di carico | 107 | 250 | 430 | 790 | 1250 | 1960 | 2790 | 2810 | 2880 | 4306 | 6380 |
| Peso Kg | 10 | 12 | 17 | 22 | 27 | 33 | 43 | 55 | 65 | 100 | 142 |
| Componente | Materiale | |
|---|---|---|
| 1 | Vite | Acciaio Zincato 8.8 |
| 2 | Rondella | Acciaio Zincato |
| 3 | Volantino | EN-GJL-250 ghisa grigia |
| 4 | Premistoppa | EN-GJL-250 ghisa grigia |
| 5 | Baderna | Ptfe |
| 6 | Porta stoppa | EN-GJL-250 ghisa grigia |
| 7 | Guarnizione | Fasit 205 |
| 8 | Asta | CW614N ottone trafilato X12Cr13 acciaio inossidabile |
| 9 | Cappello | EN-GJL-250 ghisa grigia |
| 10 | Guarnizione | Fasit 205 |
| 11 | Madrevite | CB 754-S GM ottone fuso |
| 12 | Cuneo DN 40-DN 100 | CB 754-S GM ottone fuso Acciaio al carbonio + AISI 304L acciaio inossidabile |
| Cuneo DN 125-DN 300 | EN-GJL-250 ghisa grigia | |
| 13 | Sedi | CB 754-S GM ottone fuso |
| 14 | Corpo | EN-GJL-250 ghisa grigia |
| 15 | Dado | Acciaio Zincato 8.8 |
| 16 | Vite | Acciaio Zincato 8.8 |
| 17 | Tirante | Acciaio Zincato 8.8 |