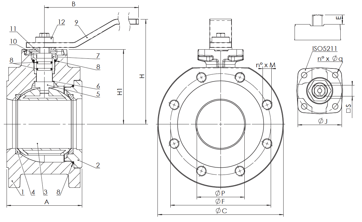
Valvole di intercettazione a sfera tipo wafer con corpo in ghisa grigia e sfera flottante, realizzate in accordo alle normative di prodotto rilevanti ed al sistema di gestione della qualità EN ISO 9001.
Sono adatte per riscaldamento e condizionamento (HVAC), teleriscaldamento, trattamento e distribuzione dell’acqua, applicazioni industriali, agricole, per aria compressa, antin-cendio, oli e idrocarburi.
| DN | 20 | 25 | 32 | 40 | 50 | 65 | 80 | 100 | |
|---|---|---|---|---|---|---|---|---|---|
| P | 20 | 25 | 31 | 40 | 50 | 63 | 76 | 95 | |
| A | non unificato | 40 | 50 | 55 | 65 | 80 | 100 | 120 | 130 |
| H | 83 | 96 | 101 | 125 | 133 | 142 | 166 | 181 | |
| H1 | 52 | 59 | 64 | 78,5 | 87 | 95 | 118 | 132,5 | |
| B | 160 | 170 | 170 | 230 | 230 | 230 | 280 | 360 | |
| C | 105 | 115 | 140 | 150 | 165 | 185 | 200 | 220 | |
| nº x M | 4x M12 | 4x M12 | 4x M16 | 4x M16 | 4x M16 | 4x M16 | 4x M16 | 4x M16 | |
| F | 75 | 85 | 100 | 110 | 125 | 145 | 160 | 180 | |
| ISO 5211 | F03 | F04 | F04 | F05 | F05 | F05 | F07 | F07 | |
| J | 36 | 42 | 42 | 50 | 50 | 50 | 70 | 70 | |
| nº x q | 4x M5 | 4x M5 | 4x M5 | 4x7 | 4x7 | 4x7 | 4x9 | 4x9 | |
| E | 9,5 | 11 | 11 | 13,5 | 13,5 | 13,5 | 15 | 15 | |
| S | 9 | 11 | 11 | 14 | 14 | 14 | 17 | 17 |
| Componente | Materiale | ||
|---|---|---|---|
| 1 | Corpo | Ghisa grigia EN GjL 250 | |
| 2 | Flangia | Ghisa grigia EN GjL 250 | |
| 3 | Sfera | Ottone CuZn40Pb2 | Acciaio inossidabile AISI 304 |
| 4 | Sede sfera | PTFE + Carbone | |
| 5 | Asta | Ottone CuZn40Pb2 | Acciaio inossidabile AISI 304 |
| 6 | Anello antifrizione | PTFE | |
| 7 | Ghiera | Ottone CuZn40Pb2 | Acciaio inossidabile AISI 304 |
| 8 | O Ring | NBR | FKM (Viton®) |
| 9 | Sede sfera | Acciaio al carbonio, verniciato epossidico | |
| 10 | Sede sfera | Acciaio al carbonio zincato | |
| 11 | Sede sfera | Acciaio al carbonio zincato | |
| 12 | Sede sfera | Ottone CuZn40Pb2 | |